2022年 第36卷 第3期
2022, 36(3): 030101.
doi: 10.11858/gywlxb.20220520
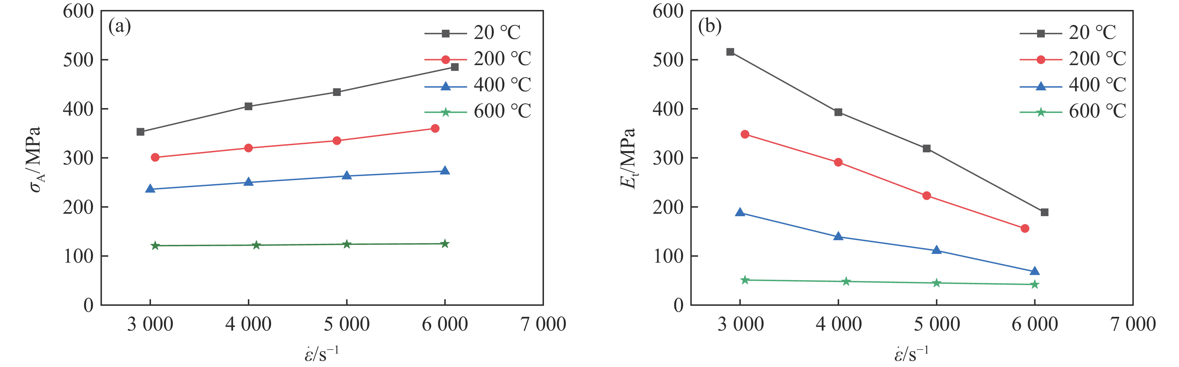
摘要:
2022, 36(3): 030103.
doi: 10.11858/gywlxb.20210803
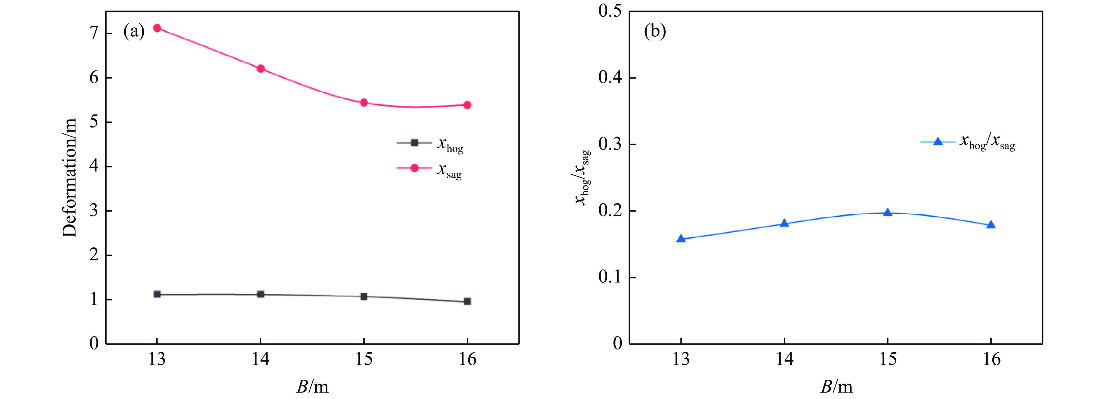
摘要:
2022, 36(3): 034101.
doi: 10.11858/gywlxb.20210879
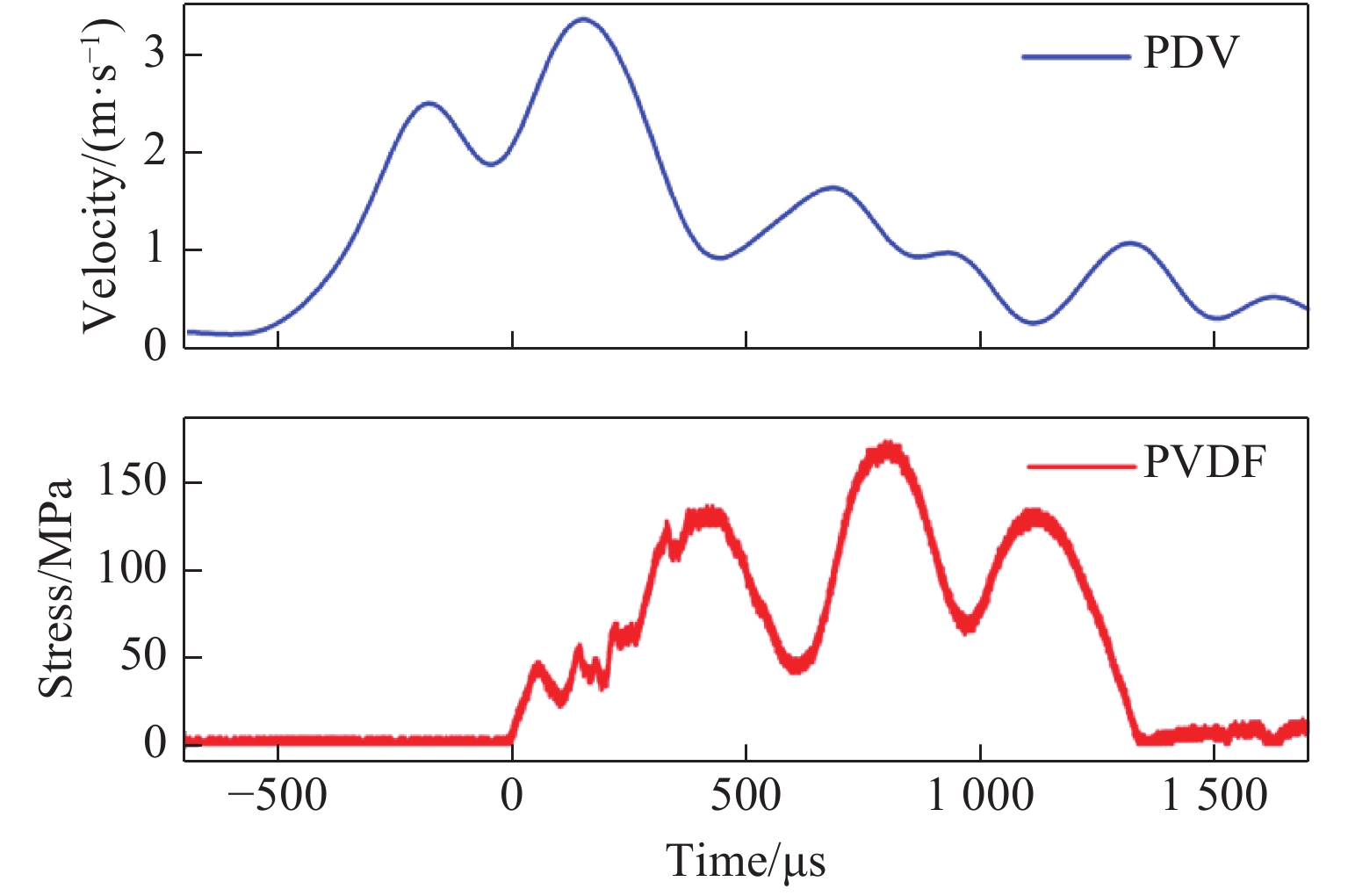
摘要:
2022, 36(3): 034104.
doi: 10.11858/gywlxb.20210858
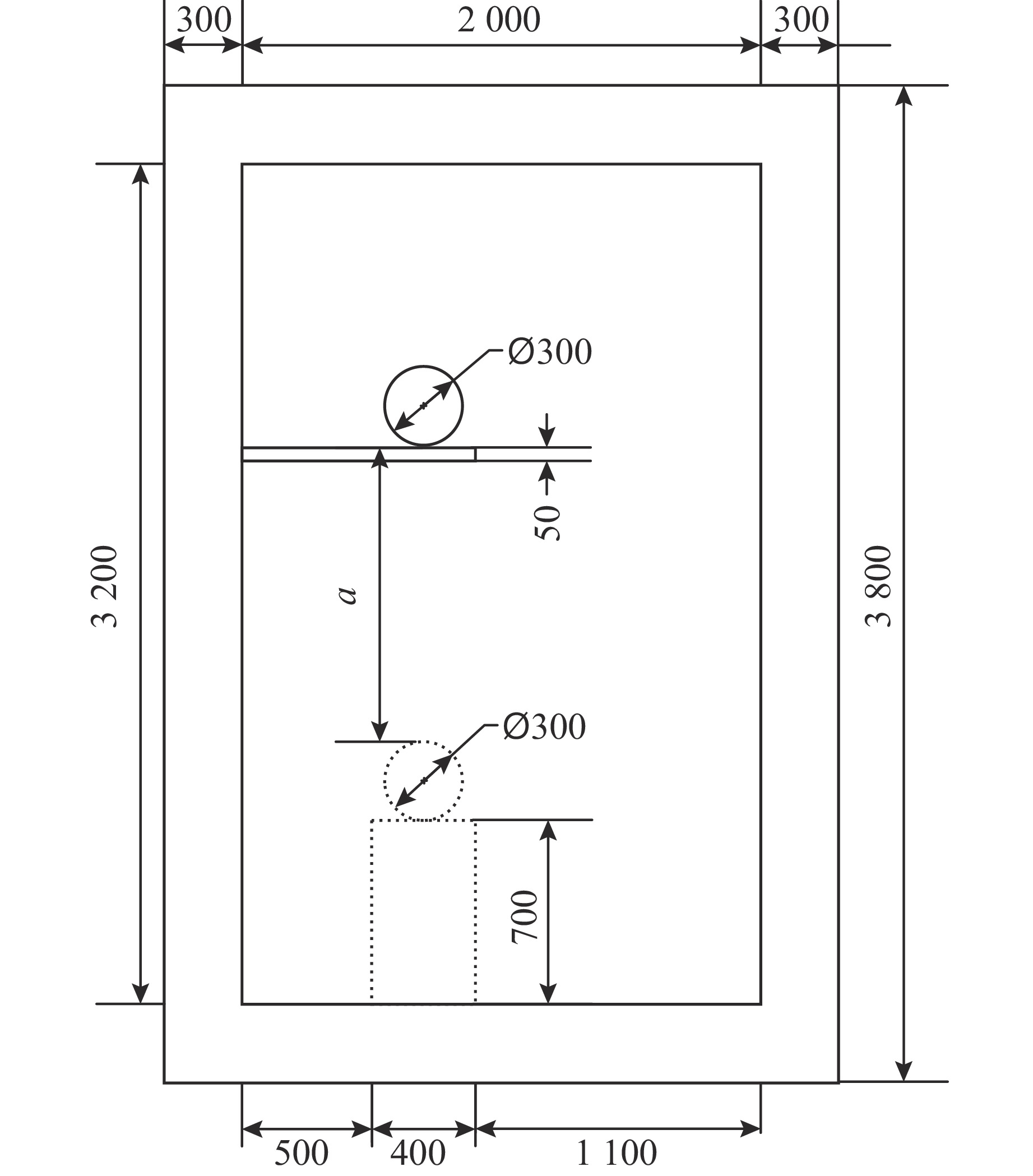
摘要:
2022, 36(3): 034105.
doi: 10.11858/gywlxb.20210923
摘要:
2022, 36(3): 035103.
doi: 10.11858/gywlxb.20210887
摘要:
2022, 36(3): 035202.
doi: 10.11858/gywlxb.20210891
摘要:

PDF
引证文献
阅读全文







