2019年 第33卷 第2期
2019, 33(2): 020101.
doi: 10.11858/gywlxb.20190711
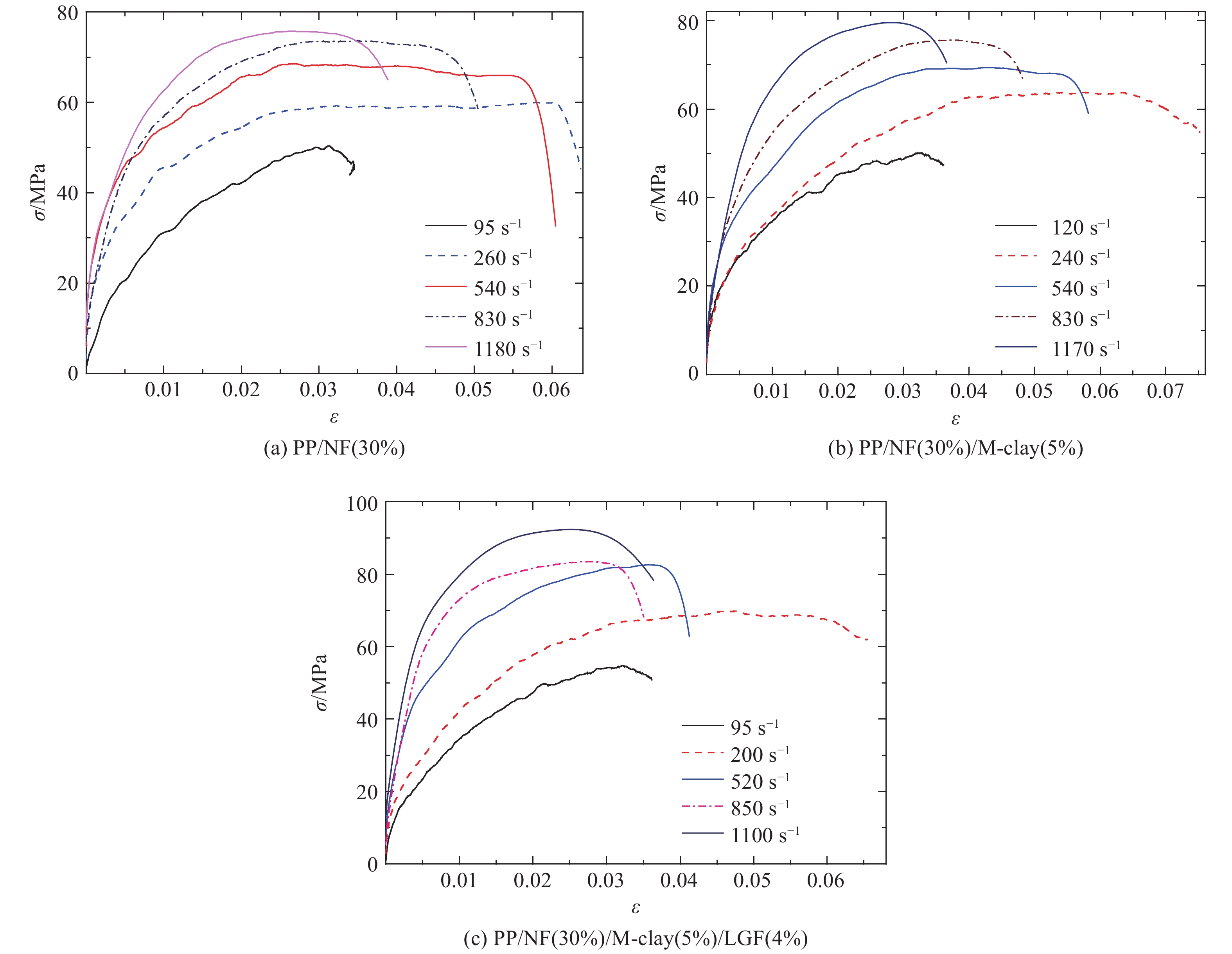
摘要:
2019, 33(2): 020104.
doi: 10.11858/gywlxb.20190709
摘要:
2019, 33(2): 020105.
doi: 10.11858/gywlxb.20190703
摘要:
2019, 33(2): 022201.
doi: 10.11858/gywlxb.20180668
摘要:
2019, 33(2): 022301.
doi: 10.11858/gywlxb.20180606
摘要:
2019, 33(2): 024102.
doi: 10.11858/gywlxb.20180651
摘要:
2019, 33(2): 024204.
doi: 10.11858/gywlxb.20180656
摘要:
2019, 33(2): 024205.
doi: 10.11858/gywlxb.20180658
摘要:
2019, 33(2): 025101.
doi: 10.11858/gywlxb.20180598
摘要:

PDF
引证文献
阅读全文






