Mechanical Properties of CFRP Composites with CNT Film Interlayer under Different Strain Rates
-
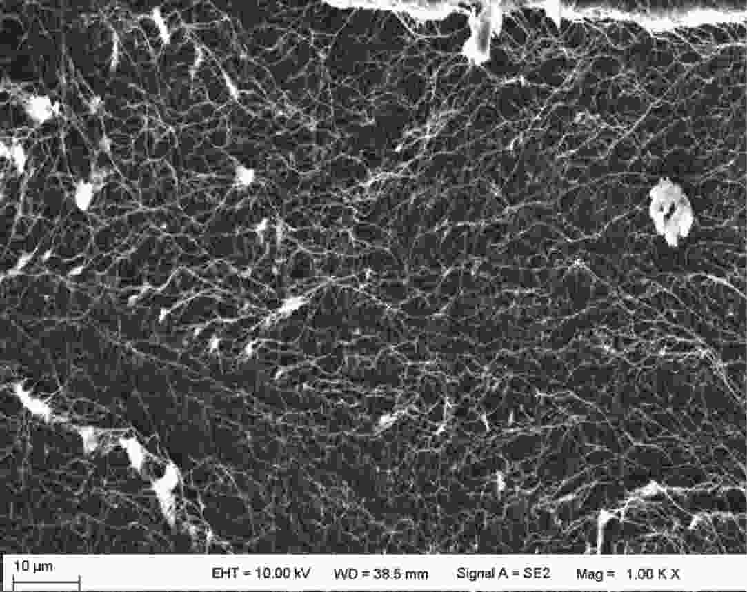
摘要: 将浮动催化化学气相沉积法制备的碳纳米管膜作为碳纤维层间改性材料,采用热压成型工艺制备了碳纳米管膜/碳纤维/环氧树脂混杂复合材料,并对其进行准静态II型断裂韧性实验以及准静态和动态压缩实验。碳纳米管膜层间改性后,复合材料的II型断裂韧性比未改性材料提高约60%,扫描电镜图像显示增韧机理主要是碳纳米管对基体的桥联。压缩实验结果表明,准静态压缩下碳纳米管膜改性材料在面内和面外两个方向的压缩强度都得到一定提高,动态面外压缩时改性后材料的压缩强度提高约9%,但是动态面内压缩时压缩强度没有提高,断口形貌显示这主要是碳纳米管膜内的分层所致。Abstract: Carbon nanotube film prepared by floating catalyst chemical vapor deposition (FCCVD) method was used as interlayer toughening material for carbon fiber reinforced laminated composites. The carbon nanotube film/carbon fiber/epoxy hybrid (CNTF/CF/EP) composites were prepared by hot pressing and cut into two dimensions respectively for compression and type II fracture toughness test. It has been observed that the type II fracture toughness is improved by 60% due to the carbon nanotube interlayers. Scanning electron microscope results suggest that the bridging of matrix cracks by carbon nanotubes leads to a higher type II fracture toughness. The results of compression experiments indicate that the compressive strength in both in-plane and out-of-plane directions is enhanced to some extent under quasi-static compression due to the carbon nanotube interlayers. Moreover, the enhancement in compressive strength which is as high as 9% out-of-plane direction can be achieved under high strain rates after modifying the interlayer structures with carbon nanotubes. However, there is no increase of compressive strength during dynamic compression in in-plane direction, and the fracture morphology shows that the primary reason is due to the internal delamination of the carbon nanotube films.
-
表 1 整形片尺寸
Table 1. Sizes of pulse shaping slices
$\dot \varepsilon $/s–1 Size of pulse shaping slice/(mm×mm×mm) CF/EP (In-plane) CNTF/CF/EP (In-plane) CF/EP (Out-of-plane) CNTF/CF/EP (Out-of-plane) 600 6×7×0.8 6×7×0.8 1200 10×10×0.8 10×10×0.8 7×7×1.0 7×7×1.0 2500 5×6×0.8 5×6×0.8 表 2 CF/EP与CNTF/CF/EP在不同应变率下的压缩强度与消耗能量
Table 2. Compression strength and dissipated energy of CF/EP and CNTF/CF/EP
Specimen Loading method Strain rate/s–1 Compression strength/MPa Dissipated energy/(N·mm–2) CF/EP Out-of-plane 10–3 670.8±5 28.024 CF/EP Out-of-plane 1000 843.3±20 37.943 CF/EP Out-of-plane 2500 799.5±10 35.724 CNTF/CF/EP Out-of-plane 10–3 687.3±4 29.847 CNTF/CF/EP Out-of-plane 1000 881.1±9 43.347 CNTF/CF/EP Out-of-plane 2500 847.1±15 40.853 CF/EP In-plane 10–3 321.0±5 2.370 CF/EP In-plane 600 621.4±5 8.681 CF/EP In-plane 1000 676.3±12 9.140 CNTF/CF/EP In-plane 10–3 405.8±6 2.790 CNTF/CF/EP In-plane 600 699.3±10 8.743 CNTF/CF/EP In-plane 1000 646.0±16 9.544 -
[1] HAO J W. Technology situation and development trends of advanced resin matrix composites [J]. Aeronautical Manufacturing Technology, 2001, 3(216): 22–25. [2] PHAM S, BURCHILL P J. Toughening of vinyl ester resins with modified polybutadienes [J]. Polymer, 1995, 36(17): 3279–3285. doi: 10.1016/0032-3861(95)99426-U [3] CARLSSON L A, AKSOY A. Analysis of interleaved end-notched flexure specimen for measuring mode II fracture toughness [J]. International Journal of Fracture, 1991, 52(1): 67–77. doi: 10.1007/BF00020258 [4] 董慧民, 益小苏, 安学锋, 等. 纤维增强热固性聚合物基复合材料层间增韧研究进展 [J]. 复合材料学报, 2014, 31(2): 273–285DONG H M, YI X S, AN X F, et al. Development of interleaved fibre-reinforced thermoset polymer matrix composites [J]. Acta Materiae Compositae Sinica, 2014, 31(2): 273–285 [5] IIJIMA S. Helical microtubules of graphitic carbon [J]. Nature, 1991, 354(6348): 56–58. doi: 10.1038/354056a0 [6] CHOU T W, GAO L, THOSTENSON E T, et al. An assessment of the science and technology of carbon nanotube-based fibers and composites [J]. Composites Science and Technology, 2010, 70(1): 1–19. doi: 10.1016/j.compscitech.2009.10.004 [7] ASHRAFI B, GUAN J W, MIRJALILI V, et al. Comparison of chemical vapor deposition and chemical grafting for improving the mechanical properties of carbon fiber/epoxy composites with multi-wall carbon nanotubes [J]. Composites Science and Technology, 2011, 71: 1569–1578. [8] ZENG Y, CI L, CAREY B J, et al. Design and reinforcement: vertically aligned carbon nanotube-based sandwich composites [J]. ACS Nano, 2010, 4(11): 6798–6804. doi: 10.1021/nn101650p [9] ZHANG Z C, GU Y Z, WANG S K, et al. Enhanced dielectric and mechanical properties in chlorine-doped continuous CNT sheet reinforced sandwich polyvinylidene fluoride film [J]. Carbon, 2016, 107: 405–414. doi: 10.1016/j.carbon.2016.05.068 [10] Standard test method for determination of the mode II interlaminar fracture toughness of unidirectional fiber-reinforced polymer matrix composites: ASTM D7905/D7905M-14 [S]. 2001. [11] 卢芳云, 陈荣, 林玉亮, 等. 霍普金森杆实验技术 [M]. 北京: 科学出版社, 2013: 30–31. [12] DAELEMANS L, VAN DER HEIJDEN S, DE BAERE I, et al. Nanofibre bridging as a toughening mechanism in carbon/epoxy composite laminates interleaved with electrospun polyamide nanofibrous veils [J]. Composites Science and Technology, 2015, 117: 244–256. doi: 10.1016/j.compscitech.2015.06.021 [13] HAQUE A, ALI M. High strain rate responses and failure analysis in polymer matrix composites–an experimental and finite element study [J]. Journal of Composite Materials, 2005, 39(5): 423–450. doi: 10.1177/0021998305047094 [14] LI T, LI M, GU Y, et al. Mechanical enhancement effect of the interlayer hybrid CNT film/carbon fiber/epoxy composite [J]. Composites Science and Technology, 2018, 166: 176–182. doi: 10.1016/j.compscitech.2018.02.007 [15] CHEN X, LI Y, ZHI Z, et al. The compressive and tensile behavior of a 0/90 C fiber woven composite at high strain rates [J]. Carbon, 2013, 61: 97–104. doi: 10.1016/j.carbon.2013.04.073 -

下载: