2018年 第32卷 第6期
2018, 32(6): 061101.
doi: 10.11858/gywlxb.20180568
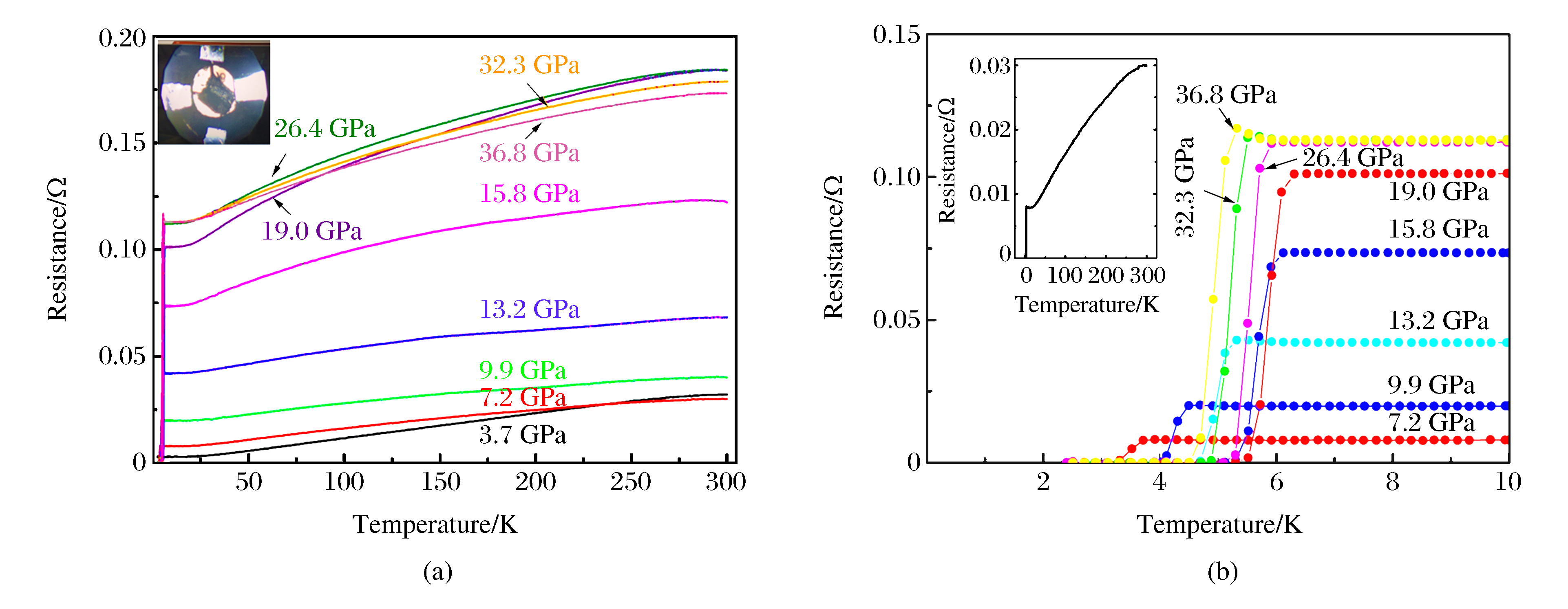
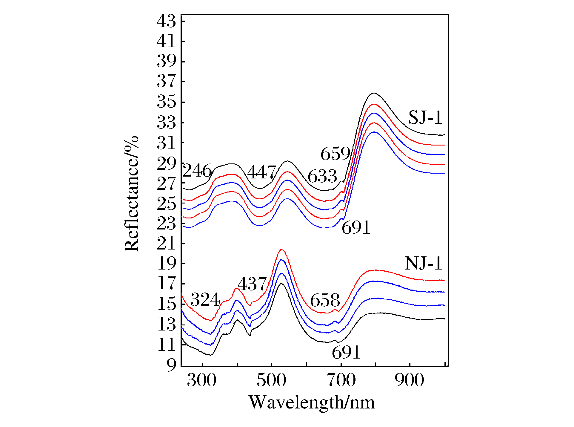
摘要:
2018, 32(6): 063101.
doi: 10.11858/gywlxb.20180560
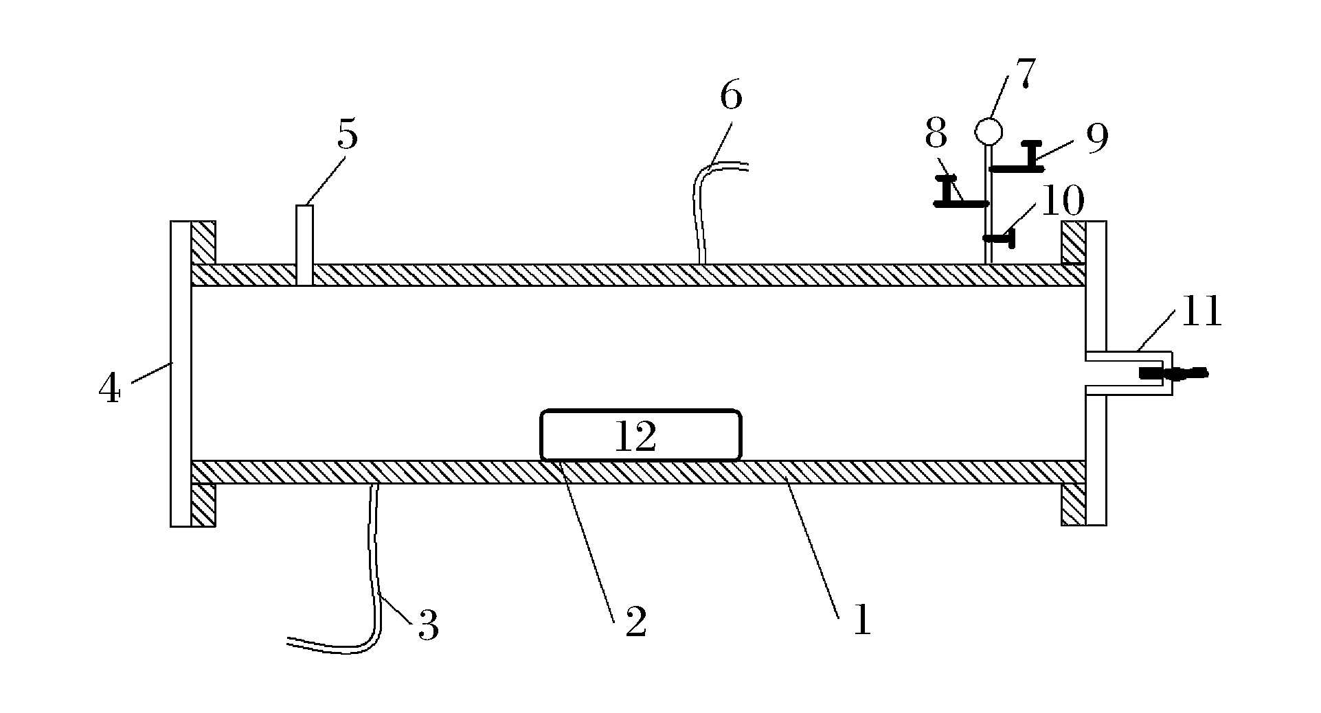
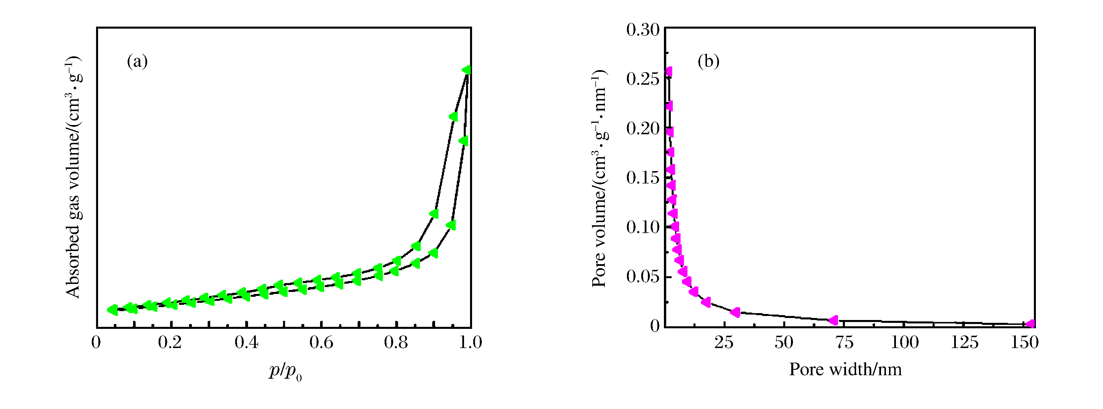
摘要:
2018, 32(6): 064101.
doi: 10.11858/gywlxb.20180586
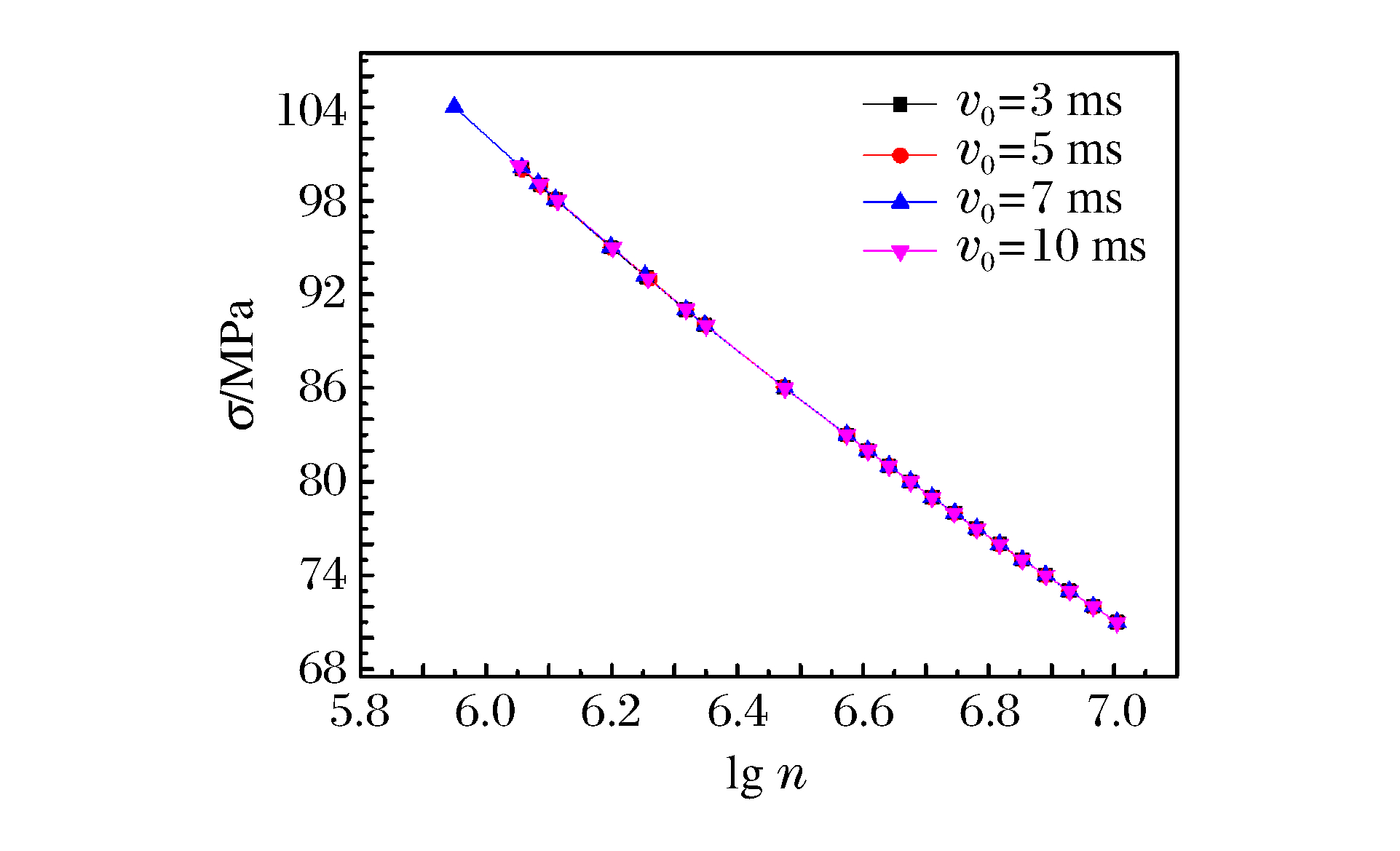
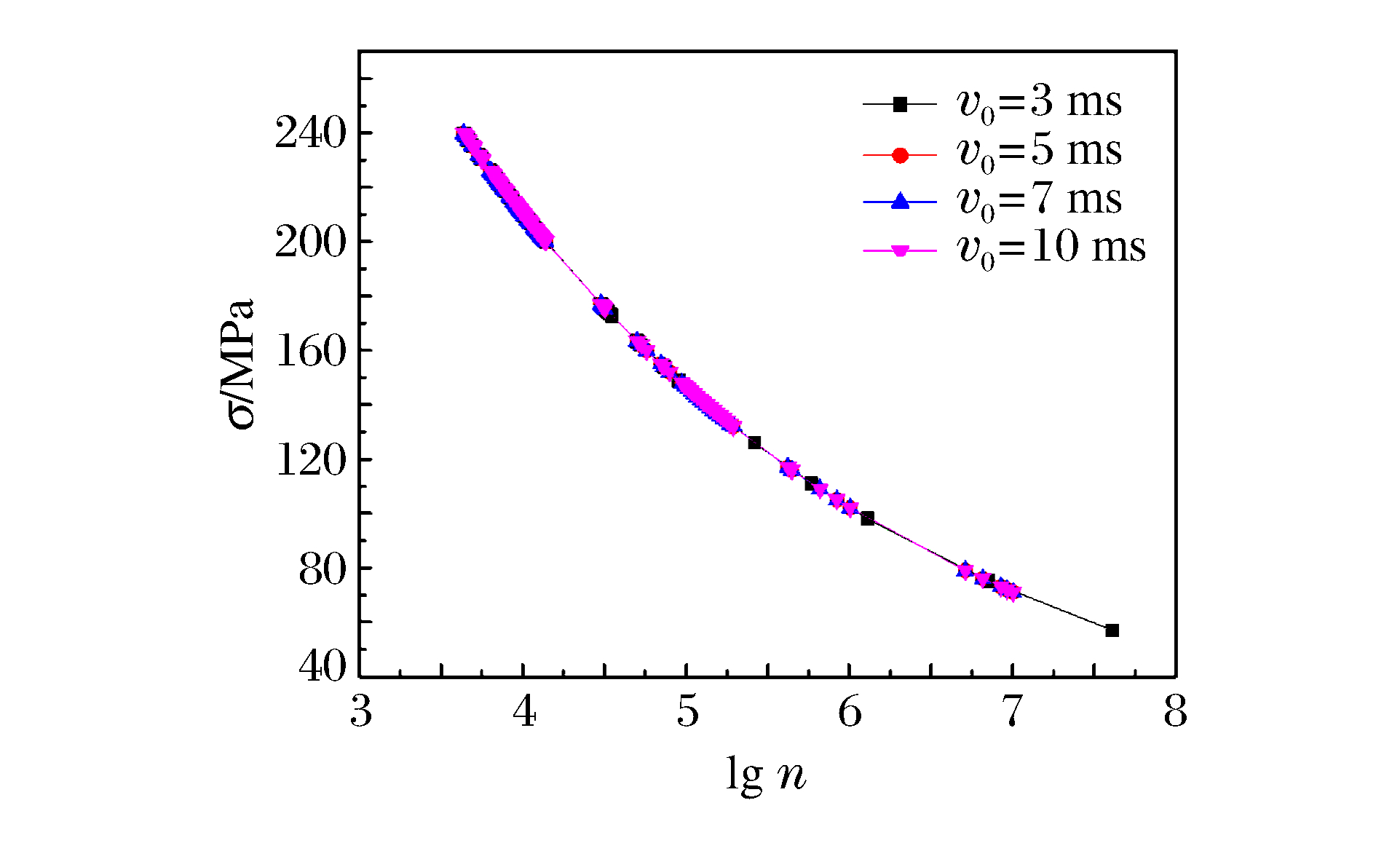
摘要:
2018, 32(6): 064103.
doi: 10.11858/gywlxb.20180561
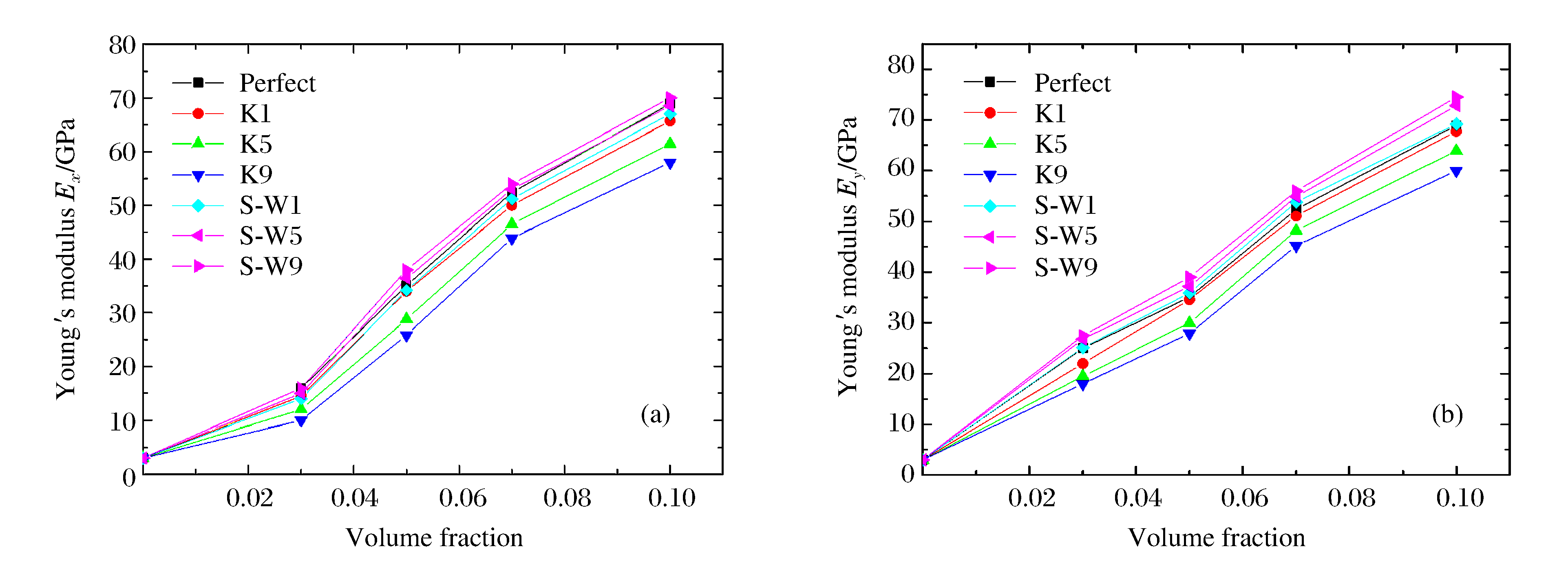
摘要:
2018, 32(6): 065103.
doi: 10.11858/gywlxb.20180583
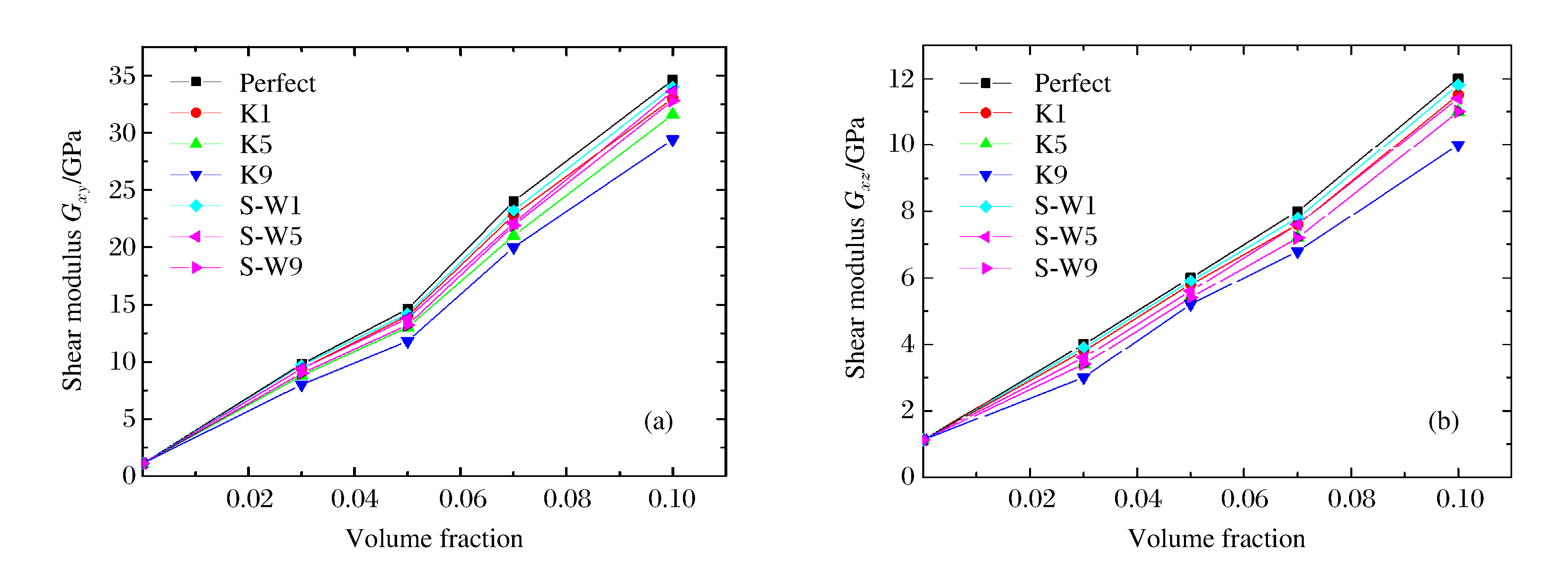
摘要:
2018, 32(6): 065106.
doi: 10.11858/gywlxb.20180542
摘要:
2018, 32(6): 065109.
doi: 10.11858/gywlxb.20180577
摘要:

阅读全文
PDF
引证文献






