Damage Evolution and Dynamic Response of Anchorage Caverns with a Crack under Top Explosion
-
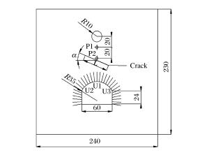
摘要: 基于相似模型试验,利用数值分析方法研究了含裂隙锚固洞室在顶爆下的损伤演化和动态响应规律,并探讨了裂隙倾角和长度对锚固洞室损伤分布和拱顶位移的影响。随着爆炸应力波的传播,在裂隙表面形成张拉损伤,并在裂隙尖端扩展出翼生裂纹,随后在锚固洞室附近的拱顶自由面、锚固区边界处以及底板中间依次形成较大拉伸损伤区域。随着裂隙倾角从0°加大到90°,拱顶锚固区及锚固区边界最大损伤区域面积先减小后增加,裂隙倾角为45°时面积最小。当裂隙的长度相同时,拱顶峰值位移随裂隙倾角的增大先增加后减小;当裂隙的倾角相同时,裂隙长度越长对应力波的阻碍作用越明显,裂隙长度为30 cm、倾角为45°时洞室破坏最小。Abstract: Based on the similar model test, the damage evolution and dynamic response law of anchored caverns with a crack under top explosion was studied by numerical analysis, and the influence of crack angle and length on the damage distribution and crown displacement of the anchor caverns was discussed.With the propagation of the explosion stress waves, tensile damage is formed on the surface of the fracture, and a winged crack extends at the tip of the fracture.Subsequently, a large tensile damage zone was formed successively at the vault free surface near the anchoring cavern, at the boundary of the anchoring zone, and in the middle of the floor.As the crack angle increases from 0° to 90°, the area of the largest damage zone at the boundary of the anchorage zone and the anchorage zone first decreases and then increases, and the area at the crack inclination angle of 45° is the smallest.When the cracks have the same length, the peak displacement of the crown increases first and then decreases with the increase of the crack dip angle.When the fracture angle is the same, the longer the crack length is, the more obvious the obstruction of the stress wave is, and the damage of the cavern with the facture 30 cm in length and 45° in inclination angle under top explosion is minimal.
-
Key words:
- underground engineering /
- blast loads /
- anchorage caverns /
- opening crack /
- damage evolution /
- numerical analysis
-
表 1 CDP模型参数
Table 1. Parameters of CDP model
Density/(kg·m-3) E/GPa μ Dilation angle/(°) Eccentricity σb0/σc0 K Viscosity paramenter 1800 2.03 0.16 25 0.1 1.16 0.66667 0 -
[1] 俞缙, 钱七虎, 赵晓豹.岩体结构面对应力波传播规律影响的研究进展[J].兵工学报, 2009, 30(增刊2):308-316. http://d.old.wanfangdata.com.cn/Conference/7151837YU J, QIAN Q H, ZHAO X B.Research progress on effects of structural planes of rock mass on press wave propagation law[J]. Acta Armamentarii, 2009, 30(Suppl 2):308-316. http://d.old.wanfangdata.com.cn/Conference/7151837 [2] 顾金才, 陈安敏, 徐景茂, 等.在爆炸荷载条件下锚固洞室破坏形态对比试验研究[J].岩石力学与工程学报, 2008, 27(7):1315-1320. doi: 10.3321/j.issn:1000-6915.2008.07.003GU J C, CHEN A M, XU J M, et al.Model test study of failure patterns of anchored tunnel[J]. Chinese Journal of Rock Mechanics and Engineering, 2008, 27(7):1315-1320. doi: 10.3321/j.issn:1000-6915.2008.07.003 [3] 杨自友.锚固洞室的抗爆性能研究[D].合肥: 中国科学技术大学, 2008. http://cdmd.cnki.com.cn/Article/CDMD-10358-2008091576.htmYANG Z Y.Study on the anti-detonating characteristics of underground opening reinforced by rockbolts[D]. Hefei: University of Science & Technology of China, 2008. http://cdmd.cnki.com.cn/Article/CDMD-10358-2008091576.htm [4] 马海春.锚固洞室抗爆能力现场实验研究[D].合肥: 中国科学技术大学, 2011. http://cdmd.cnki.com.cn/Article/CDMD-10358-1011124968.htmMA H C.Research on explosion resistinhg capacity site tests of underground cavern reinforced by grouted rockbolts[D]. Hefei: University of Science and Technology of China, 2011. http://cdmd.cnki.com.cn/Article/CDMD-10358-1011124968.htm [5] 周纪军.爆炸动载对近区锚杆支护结构影响的试验研究[D].北京: 中国矿业大学, 2011. http://cdmd.cnki.com.cn/Article/CDMD-11413-1011184747.htmZHOU J J.Effects of blast loading on rockbolt anchorage structure near the working face in the model test[D]. Beijing: China University of Mining & Technology, 2011. http://cdmd.cnki.com.cn/Article/CDMD-11413-1011184747.htm [6] 王光勇, 顾金才, 陈安敏, 等.锚固洞室在顶爆作用下破坏形式及破坏过程研究[J].岩土工程学报, 2015, 37(8):1381-1389. http://d.old.wanfangdata.com.cn/Periodical/ytgcxb201508006WANG G Y, GU J C, CHEN A M, et al.Failure modes and process of tunnels reinforced by rockbolts under top explosion[J]. Chinese Journal of Geotechnical Engineering, 2015, 37(8):1381-1389. http://d.old.wanfangdata.com.cn/Periodical/ytgcxb201508006 [7] CHANG X, WANG G Y, TANG C A, et al.Dynamic behavior of cement-mortar cavern reinforced by bars[J]. Engineering Failure Analysis, 2015, 55:343-354. doi: 10.1016/j.engfailanal.2015.07.020 [8] 徐干成, 袁伟泽, 顾金才, 等.地下洞库围岩外加固抗炸弹爆炸性能研究[J].岩石力学与工程学报, 2015, 34(9):1767-1776. http://www.cqvip.com/QK/96026X/201509/89837688504849534857484855.htmlXU G C, YUAN W Z, GU J C, et al.Explosive resistivity of anchored cavern surface rock[J]. Chinese Journal of Rock Mechanics and Engineering, 2015, 34(9):1767-1776. http://www.cqvip.com/QK/96026X/201509/89837688504849534857484855.html [9] 徐景茂, 顾金才, 陈安敏, 等.锚杆长度和间距对洞室抗爆性能影响研究[J].岩土力学, 2012, 33(11):3489-3496. http://d.old.wanfangdata.com.cn/Periodical/ytlx201211043XU J M, GU J C, CHEN A M, et al.Study of anti-explosion ability of reinforced tunnels with different anchor lengths and spacings[J]. Rock and Soil Mechanics, 2012, 33(11):3489-3496. http://d.old.wanfangdata.com.cn/Periodical/ytlx201211043 [10] 王卫华, 李夕兵, 周子龙, 等.不同应力波在张开节理处的能量传递规律[J].中南大学学报(自然科学版), 2006, 37(2):376-380. doi: 10.3969/j.issn.1672-7207.2006.02.032WANG W H, LI X B, ZHOU Z L, et al.Energy-transmitted rule of various stress waves across open joint[J]. Journal of Central South University (Science and Technology), 2006, 37(2):376-380. doi: 10.3969/j.issn.1672-7207.2006.02.032 [11] 柴少波, 李建春, 李海波.柱面波在节理岩体中的传播特性[J].岩石力学与工程学报, 2014, 33(3):523-530. http://d.old.wanfangdata.com.cn/Periodical/yslxygcxb201403010CHAI S B, LI J C, LI H B.Propagation characteristics of cylindrical wave in joint rock masses[J]. Chinese Journal of Rock Mechanics and Engineering, 2014, 33(3):523-530. http://d.old.wanfangdata.com.cn/Periodical/yslxygcxb201403010 [12] 郭东明, 闫鹏洋, 杨仁树, 等.爆破开挖中巷道围岩缺陷扩展的动焦散模型试验研究[J].采矿与安全工程学报, 2015, 32(5):728-734. http://d.old.wanfangdata.com.cn/Periodical/ksylydbgl201505005GUO D M, YAN P Y, YANG R S, et al.Dynamic caustics model experimental study on the defects extension of roadway surrounding rock when blasting excavation[J]. Journal of Mining & Safety Engineering, 2015, 32(5):728-734. http://d.old.wanfangdata.com.cn/Periodical/ksylydbgl201505005 [13] 郭东明, 刘康, 杨仁树, 等.爆炸冲击荷载下相邻巷道裂隙扩展机理模拟试验[J].振动与冲击, 2016, 35(2):178-183. http://d.old.wanfangdata.com.cn/Periodical/zdycj201602030GUO D M, LIU K, YANG R S, et al.Simulation experiments on the mechanism of adjacent tunnel crack extension induced by explosion load[J]. Journal of Vibration and Shock, 2016, 35(2):178-183. http://d.old.wanfangdata.com.cn/Periodical/zdycj201602030 [14] 刘红岩, 邓正定, 王新生, 等.节理岩体动态破坏的SHPB相似材料试验研究[J].岩土力学, 2014, 35(3):659-665. http://d.old.wanfangdata.com.cn/Periodical/ytlx201403009LIU H Y, DENG Z D, WANG X S, et al.Similar material test study of dynamic failure of jointed rock mass with SHPB[J]. Rock and Soil Mechanics, 2014, 35(3):659-665. http://d.old.wanfangdata.com.cn/Periodical/ytlx201403009 [15] YANG R S, WANG Y B, GUO D M, et al.Experimental research of crack propagation in polymethyl methacrylate material containing flaws under explosive stress waves[J]. Journal of Testing & Evaluation, 2016, 44(1):20140055. http://www.wanfangdata.com.cn/details/detail.do?_type=perio&id=31c6583276e5680de2a1c0125b61e37c [16] 李超, 刘红岩, 阎锡东.动载下节理岩体破坏过程的数值试验研究[J].岩土力学, 2015, 36(增刊2):655-664. http://d.old.wanfangdata.com.cn/Conference/8776474LI C, LIU H Y, YAN X D.Numerical experiment of failure process of jointed rock mass under dynamic loading[J]. Rock and Soil Mechanics, 2015, 36(Suppl 2):655-664. http://d.old.wanfangdata.com.cn/Conference/8776474 [17] 杨仁树, 许鹏, 杨立云, 等.节理岩体中爆炸应力波传播规律的研究[J].金属矿山, 2016, 45(6):49-54. doi: 10.3969/j.issn.1001-1250.2016.06.009YANG R S, XU P, YANG L Y, et al.Study of regularity of explosive stress wave propagation in jointed rock mass[J]. Metal Mine, 2016, 45(6):49-54. doi: 10.3969/j.issn.1001-1250.2016.06.009 [18] 张秀丽, 焦玉勇, 刘泉声, 等.节理对爆炸波传播影响的数值研究[J].岩土力学, 2008, 29(3):717-721. doi: 10.3969/j.issn.1000-7598.2008.03.027ZHANG X L, JIAO Y Y, LIU Q S, et al.Numerical study on effect of joints on blasting wave propagation in rock mass[J]. Rock and Soil Mechanics, 2008, 29(3):717-721. doi: 10.3969/j.issn.1000-7598.2008.03.027 [19] DENG X F, ZHU J B, CHEN S G, et al.Numerical study on tunnel damage subject to blast-induced shock wave in jointed rock masses[J]. Tunnelling and Underground Space Technology, 2014, 43(6):88-100. http://www.wanfangdata.com.cn/details/detail.do?_type=perio&id=c58ef1d2ad1e56ac09cf1d80e8ed3d35 [20] 王光勇, 顾金才, 陈安敏, 等.端部消波和加密锚杆支护洞室抗爆能力模型试验研究[J].岩石力学与工程学报, 2010, 29(1):51-58. http://d.old.wanfangdata.com.cn/Periodical/yslxygcxb201001006WANG G Y, GU J C, CHEN A M, et al.Model test research on anti-explosion capacity of underground openings with end weakened by holes and anchor top reinforced by dense rock bolts[J]. Chinese Journal of Rock Mechanics and Engineering, 2010, 29(1):51-58. http://d.old.wanfangdata.com.cn/Periodical/yslxygcxb201001006 [21] PRICE R H, BOYD P J, NOEL J S, et al.Relation between static and dynamic rock properties in welded and nonwelded tuff: SAND 94-0306C[R]. Albuquerque, NM: Sandia National Laboratories, 1994. [22] 王海兵, 张海波, 田宙, 等.岩石动力学计算中的网格效应及机理研究[J].兵工学报, 2016, 37(10):1828-1836. doi: 10.3969/j.issn.1000-1093.2016.10.009WANG H B, ZHANG H B, TIAN Z, et al.Mesh size effect and its mechanism research in numerical calculation of rock dynamics[J]. Acta Armamentarii, 2016, 37(10):1828-1836. doi: 10.3969/j.issn.1000-1093.2016.10.009 -

下载: