Volume 39 Issue 2
Apr 2025
Turn off MathJax
Article Contents
LIU Guangfeng, LI Yiwen, ZHANG Jianqiao, SONG Panqi, LI Na. Applications of High-Pressure Solution Device for Synchrotron Radiation Small Angle X-Ray Scattering Method[J]. Chinese Journal of High Pressure Physics, 2025, 39(2): 020101. doi: 10.11858/gywlxb.20240831
Citation: LIU Guangfeng, LI Yiwen, ZHANG Jianqiao, SONG Panqi, LI Na. Applications of High-Pressure Solution Device for Synchrotron Radiation Small Angle X-Ray Scattering Method[J]. Chinese Journal of High Pressure Physics, 2025, 39(2): 020101. doi: 10.11858/gywlxb.20240831

Applications of High-Pressure Solution Device for Synchrotron Radiation Small Angle X-Ray Scattering Method

doi: 10.11858/gywlxb.20240831
  • Received Date: 21 Jun 2024
  • Rev Recd Date: 05 Jul 2024
  • Available Online: 03 Jan 2025
  • Issue Publish Date: 03 Apr 2025
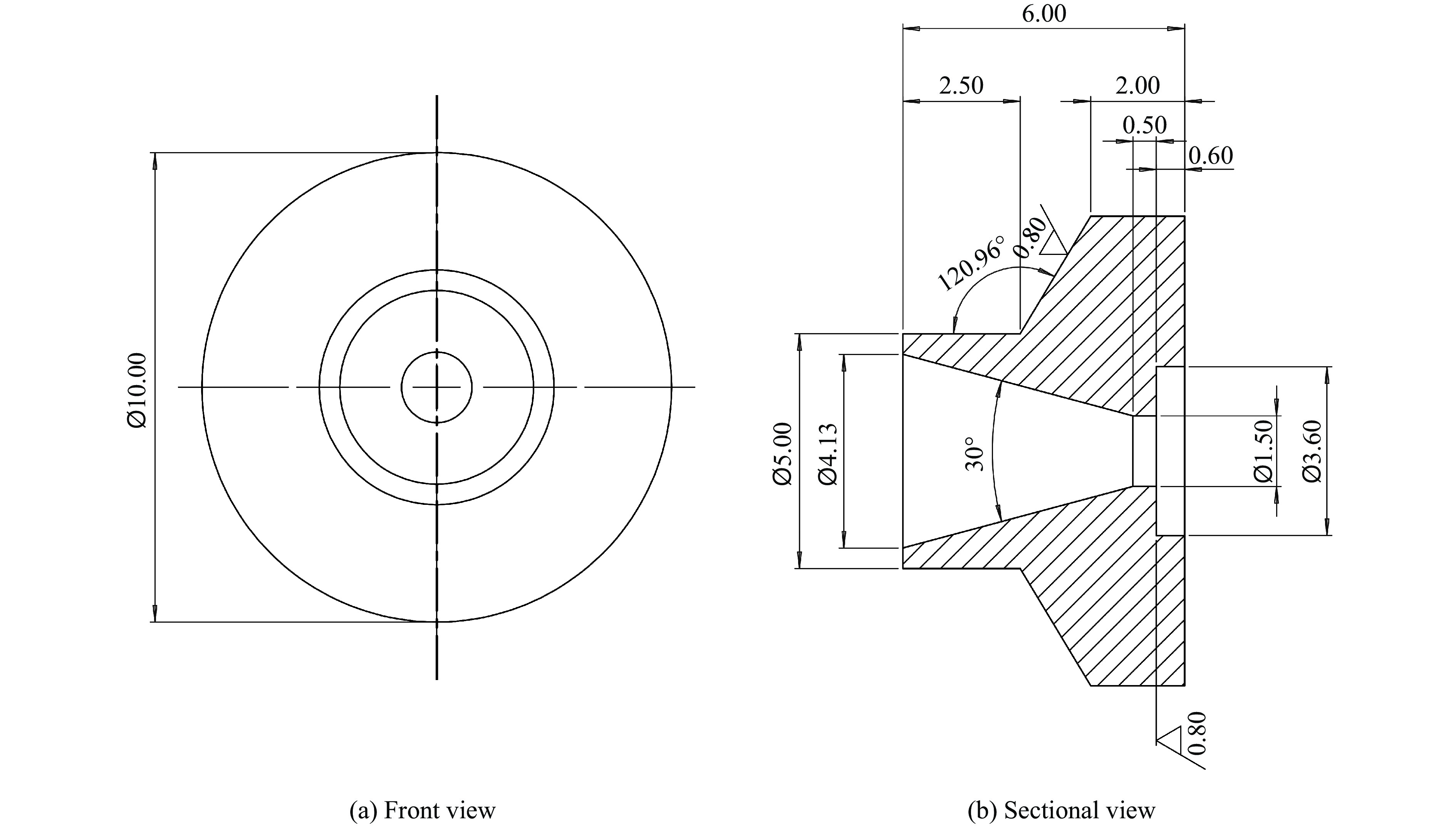
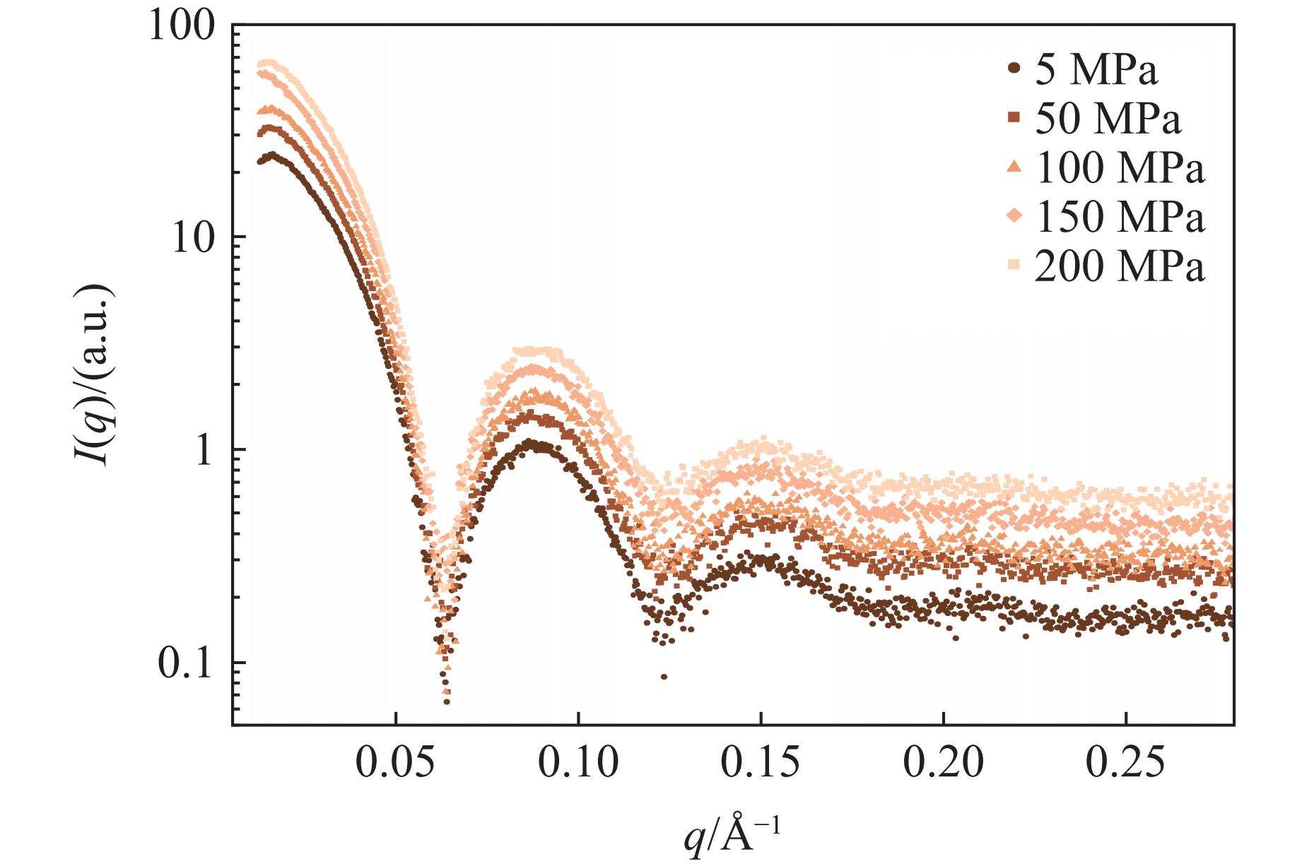
  • High pressure is one of the fundamental thermodynamic parameters, which can induce the structural changes in soft matter systems. By combining the spatial resolution of small-angle X-ray scattering (SAXS), this technique can be employed to explore the dynamics of protein folding and the mechanisms of nucleic acid structural stability. Moreover, it has promising and broad applications in the field of life sciences. Currently, the specialized equipment for high-pressure solution scattering is still lacking in China. For this purpose, a high-pressure in-situ sample device and a manual pressurization system for specialized solution X-ray scattering have been developed at BL19U2 beamline at SSRF, which can complete the hydrostatic pressure measurements from 0.1 to 250 MPa. More important, the apparatus can keep the X-ray window in the same place throughout the experiment, which can help to subtract the accurate background scattering and achieve the measurements with high signal-to-noise ratio. This will provide a valuable research platform for wide range of areas, including food science, pharmacology, and structural biology.

     

  • loading
  • [1]
    SILVA J L, OLIVEIRA A C, VIEIRA T C R G, et al. High-pressure chemical biology and biotechnology [J]. Chemical Reviews, 2014, 114(14): 7239–7267. doi: 10.1021/cr400204z
    [2]
    SCHROER M A, PAULUS M, JEWORREK C, et al. High-pressure SAXS study of folded and unfolded ensembles of proteins [J]. Biophysical Journal, 2010, 99(10): 3430–3437. doi: 10.1016/j.bpj.2010.09.046
    [3]
    BROOKS N J, SEDDON J M. High pressure X-ray studies of lipid membranes and lipid phase transitions [J]. Zeitschrift für Physikalische Chemie, 2014, 228(10/11/12): 987–1004. doi: 10.1515/zpch-2014-0602
    [4]
    KRZYŻANIAK A, BARCISZEWSKI J, FÜRSTE J P, et al. A-Z-RNA conformational-changes effected by high-pressure [J]. International Journal of Biological Macromolecules, 1994, 16(3): 159–162. doi: 10.1016/0141-8130(94)90044-2
    [5]
    OTAKE T, TANIGUCHI T, FURUKAWA Y, et al. Stability of amino acids and their oligomerization under high-pressure conditions: implications for prebiotic chemistry [J]. Astrobiology, 2011, 11(8): 799–813. doi: 10.1089/ast.2011.0637
    [6]
    BLANCHET C E, SVERGUN D I. Small-angle X-ray scattering on biological macromolecules and nanocomposites in solution [J]. Annual Review of Physical Chemistry, 2013, 64: 37–54. doi: 10.1146/annurev-physchem-040412-110132
    [7]
    KÖNIG N, PAULUS M, JULIUS K, et al. Antibodies under pressure: a small-angle X-ray scattering study of immunoglobulin G under high hydrostatic pressure [J]. Biophysical Chemistry, 2017, 231: 45–49. doi: 10.1016/j.bpc.2017.05.016
    [8]
    SOMKUTI J, SMELLER L. High pressure effects on allergen food proteins [J]. Biophysical Chemistry, 2013, 183: 19–29. doi: 10.1016/j.bpc.2013.06.009
    [9]
    李晓东, 袁清习, 徐伟, 等. 第四代高能同步辐射光源HEPS及高压相关线站建设 [J]. 高压物理学报, 2020, 34(5): 050101. doi: 10.11858/gywlxb.20200554

    LI X D, YUAN Q X, XU W, et al. Introduction of fourth-generation high energy photon source HEPS and the beamlines for high-pressure research [J]. Chinese Journal of High Pressure Physics, 2020, 34(5): 050101. doi: 10.11858/gywlxb.20200554
    [10]
    杨科, 蒋升, 闫帅, 等. 上海同步辐射光源高压相关线站概述 [J]. 高压物理学报, 2020, 34(5): 050102. doi: 10.11858/gywlxb.20200584

    YANG K, JIANG S, YAN S, et al. Application of Shanghai synchrotron radiation source in high pressure research [J]. Chinese Journal of High Pressure Physics, 2020, 34(5): 050102. doi: 10.11858/gywlxb.20200584
    [11]
    KUNZ M, MACDOWELL A A, CALDWELL W A, et al. A beamline for high-pressure studies at the Advanced Light Source with a superconducting bending magnet as the source [J]. Journal of Synchrotron Radiation, 2005, 12(5): 650–658. doi: 10.1107/S0909049505020959
    [12]
    LI X D, LI H, LI P S, et al. A high-pressure single-crystal-diffraction experimental system at 4W2 beamline of BSRF [J]. Journal of Synchrotron Radiation, 2017, 24(3): 699–706. doi: 10.1107/S1600577517003393
    [13]
    ROTHKIRCH A, GATTA G D, MEYER M, et al. Single-crystal diffraction at the extreme conditions beamline P02.2: procedure for collecting and analyzing high-pressure single-crystal data [J]. Journal of Synchrotron Radiation, 2013, 20(5): 711–720. doi: 10.1107/S0909049513018621
    [14]
    HIRAO N, KAWAGUCHI S I, HIROSE K, et al. New developments in high-pressure X-ray diffraction beamline for diamond anvil cell at SPring-8 [J]. Matter and Radiation at Extremes, 2020, 5(1): 018403. doi: 10.1063/1.5126038
    [15]
    PRESSL K, KRIECHBAUM M, STEINHART M, et al. High pressure cell for small- and wide-angle X-ray scattering [J]. Review of Scientific Instruments, 1997, 68(12): 4588–4592. doi: 10.1063/1.1148436
    [16]
    ANDO N, CHENEVIER P, NOVAK M, et al. High hydrostatic pressure small-angle X-ray scattering cell for protein solution studies featuring diamond windows and disposable sample cells [J]. Journal of Applied Crystallography, 2008, 41(1): 167–175. doi: 10.1107/S0021889807056944
    [17]
    BROOKS N J, GAUTHE B L L E, TERRILL N J, et al. Automated high pressure cell for pressure jump X-ray diffraction [J]. Review of Scientific Instruments, 2010, 81(6): 064103. doi: 10.1063/1.3449332
    [18]
    CINAR S, AL-AYOUBI S, STERNEMANN C, et al. A high pressure study of calmodulin-ligand interactions using small-angle X-ray and elastic incoherent neutron scattering [J]. Physical Chemistry Chemical Physics, 2018, 20(5): 3514–3522. doi: 10.1039/C7CP07399B
    [19]
    LEHOFER B, GOLUB M, KORNMUELLER K, et al. Structural effects of high hydrostatic pressure on human low density lipoprotein revealed by small angle X-ray and neutron scattering [J]. Biophysical Journal, 2016, 110(3): 255a–256a. doi: 10.1016/j.bpj.2015.11.1403
    [20]
    ABE H, HAMAYA N, KOYAMA Y, et al. Long periodic structure of a room-temperature ionic liquid by high-pressure small-angle X-ray scattering and wide-angle X-ray scattering: 1-decyl-3-methylimidazolium chloride [J]. ChemPhysChem, 2018, 19(12): 1441–1447. doi: 10.1002/cphc.201701273
    [21]
    LI Y W, LIU G F, WU H J, et al. BL19U2: small-angle X-ray scattering beamline for biological macromolecules in solution at SSRF [J]. Nuclear Science and Techniques, 2020, 31(12): 117. doi: 10.1007/s41365-020-00825-3
    [22]
    ORTORE M G, SPINOZZI F, MARIANI P, et al. Combining structure and dynamics: non-denaturing high-pressure effect on lysozyme in solution [J]. Journal of the Royal Society Interface, 2009, 6(Suppl 5): S619–S634. doi: 10.1098/rsif.2009.0163.focus
    [23]
    SONG X T, ZHENG Y X, ZHU L, et al. Development of robust and facile purification process for production of recombinant human ferritin heavy chain nanoparticle from Escherichia coli [J]. Process Biochemistry, 2021, 104: 1–9. doi: 10.1016/j.procbio.2021.02.014
    [24]
    WANG Q, ZHANG C, LIU L P, et al. High hydrostatic pressure encapsulation of doxorubicin in ferritin nanocages with enhanced efficiency [J]. Journal of Biotechnology, 2017, 254: 34–42. doi: 10.1016/j.jbiotec.2017.05.025
  • 加载中

Catalog

    通讯作者: 陈斌, bchen63@163.com
    • 1. 

      沈阳化工大学材料科学与工程学院 沈阳 110142

    1. 本站搜索
    2. 百度学术搜索
    3. 万方数据库搜索
    4. CNKI搜索

    Figures(6)

    Article Metrics

    Article views(926) PDF downloads(59) Cited by()
    Proportional views
    Related
    

    /

    DownLoad:  Full-Size Img  PowerPoint
    Return
    Return