Dynamical Response Behavior of Clamped Square Plates under the Impact of Large-Scale Hammer
-
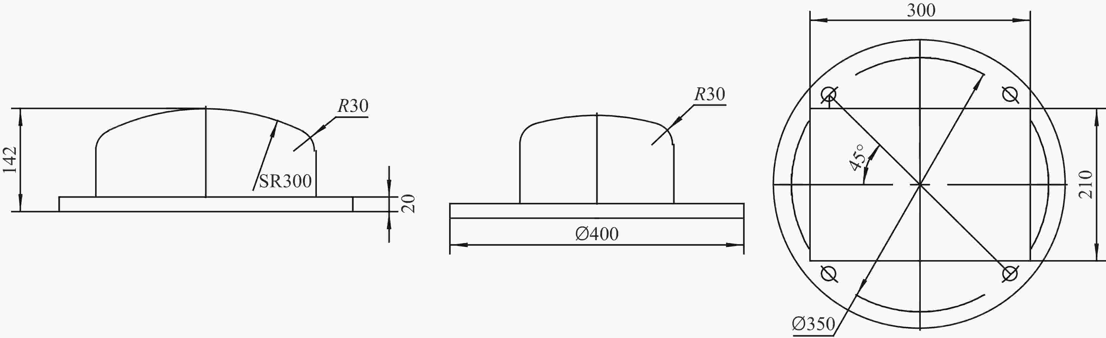
摘要: 为探究大尺度锤头冲击下固支方板的动响应行为,结合落锤工装设计了大尺度冲击锤头,通过对固支方板开展不同冲击强度下的撞击试验,获取了固支方板在大尺度锤头撞击下的典型破坏模式。同时依据试验结果及冲击动力学理论,建立了大尺度锤头冲击下固支方板变形评估方法,并结合数值模拟建立了大尺度锤头冲击下方板边界撕裂判据。研究结果表明:大尺度锤头冲击下固支方板主要依靠边界塑性铰、面板内塑性铰耗能,固支方板的撕裂从边界位置开始。基于塑性铰耗能机制建立了方板塑性变形理论评估方法,理论计算结果与试验结果吻合较好。固支方板撕裂过程中,边界起始撕裂处应力三轴度基本在0.6左右,本试验中建立的临界失效判据Bh值可取1.6倍板厚。所建立的评估方法及失效判据进一步完善了落锤冲击下固支方板的动响应行为研究。Abstract: In order to investigate the dynamic response behavior of clamped square plates under the impact of the large-scale hammer, a large-scale hammer head was designed in combination with the drop hammer tooling. The impact tests of clamped square plates under different impact strength were carried out, and the typical failure modes of clamped square plates under the impact of large-scale hammer were obtained. Based on the experimental results and the impact dynamics theory, the deformation evaluation method of clamped square plates under the impact of large-scale hammer was established. In addition, the boundary tearing criterion of clamped square plates was established by combining simulation analysis. The results indicated that the energy dissipation of clamped square plates under the impact of the large-scale hammer mainly depended on the plastic hinge and in-plane plastic hinge, and the initial tearing firstly occurred in plate boundary. Moreover, the plastic deformation evaluation method of clamped square plates established by the plastic hinge energy dissipation mechanism was in good agreement with the experiment results. In addition, the value of the stress triaxiality at the initial tearing position was nearly 0.6 during the tearing process of the clamped square plates. According to failure criterion established in this paper, the value of Bh was 1.6 times plate thickness. The evaluation method and failure criterion presented in this paper further improve the research on the dynamic response behavior of clamped square plates under the impact of the large-scale hammer.
-
表 1 试验工况及试验结果
Table 1. Experiment cases and test results
Case h/m v/(m·s−1) M/kg E/kJ Result D/mm Damage 1 0.4 2.80 2 024 7.934 39.3 Plastic deformation 2 0.5 3.13 2 024 9.917 45.9 Boundary tearing 3 0.6 3.42 2 024 11.901 48.6 Boundary tearing 4 0.7 3.70 2 024 13.884 55.8 Boundary tearing -
[1] ZHU L, FAULKNER D, ATKINS A G. The impact of rectangular plates made from strain-rate sensitive materials [J]. International Journal of Impact Engineering, 1994, 15(3): 245–255. doi: 10.1016/S0734-743X(05)80016-8 [2] ZHU L, FAULKNER D. Dynamic inelastic behaviour of plates in minor ship collisions [J]. International Journal of Impact Engineering, 1994, 15(2): 165–178. doi: 10.1016/S0734-743X(05)80029-6 [3] SHEN W Q, WONG P S, LIM H C, et al. An experimental investigation on the failure of rectangular plate under wedge impact [J]. International Journal of Impact Engineering, 2003, 28(3): 315–330. doi: 10.1016/S0734-743X(02)00102-1 [4] SUN B, HU Z Q, WANG G. An analytical method for predicting the ship side structure response in raked bow collisions [J]. Marine Structures, 2015, 41: 288–311. doi: 10.1016/j.marstruc.2015.02.007 [5] 陈继恩. 基于应力三轴度的材料失效研究[D]. 武汉: 华中科技大学, 2012.CHEN J E. Research of material failure basic on stress triaxiality [D]. Wuhan: Huahong University of Science and Technology, 2012. [6] GONG Y F, GAO Y X, XIE D, et al. Deflection and fracture of a clamped plate under lateral indentation by a sphere [J]. Ocean Engineering, 2015, 103: 21–30. doi: 10.1016/j.oceaneng.2015.04.075 [7] 黄东, 龚榆峰, 刘敬喜. 壳板厚度对船舶加筋板结构耐撞性能的影响 [J]. 中国舰船研究, 2016, 11(2): 58–65. doi: 10.3969/j.issn.1673-3185.2016.02.009HUANG D, GONG Y F, LIU J X. The influence of variation of thickness for crashworthiness ability of stiffener plate structure [J]. Chinese Journal of Ship Research, 2016, 11(2): 58–65. doi: 10.3969/j.issn.1673-3185.2016.02.009 [8] 诺曼•琼斯. 结构冲击[M]. 成都: 四川教育出版社, 1994. [9] 伍星星, 汪俊, 刘建湖, 等. 底部近距离爆炸下舱段模型毁伤试验研究 [J]. 爆炸与冲击, 2020, 40(11): 111406. doi: 10.11883/bzycj-2020-0067WU X X, WANG J, LIU J H, et al. Damaging characteristics of a cabin model under close-in underwater explosion from bottom attacting [J]. Explosion and Shock Waves, 2020, 40(11): 111406. doi: 10.11883/bzycj-2020-0067 [10] 伍星星, 刘建湖, 孟利平, 等. 金属材料试件在压缩、扭转、拉伸断裂过程中的应力状态变化及表征 [J]. 高压物理学报, 2020, 34(5): 054204. doi: 10.11858/gywlxb.20200517WU X X, LIU J H, MENG L P, et al. Variation of stress distribution in metal fracture process under compressive, torsional, and tensile loading [J]. Chinese Journal of High Pressure Physics, 2020, 34(5): 054204. doi: 10.11858/gywlxb.20200517 [11] 朱锡, 冯刚, 张振华. 爆炸载荷作用下固支方板的应变场及破坏分析 [J]. 船舶力学, 2005, 9(2): 83–89. doi: 10.3969/j.issn.1007-7294.2005.02.013ZHU X, FENG G, ZHANG Z H. Strain field and damage analisis of clamped square plates subjected to explosive loading [J]. Journal of Ship Mechanics, 2005, 9(2): 83–89. doi: 10.3969/j.issn.1007-7294.2005.02.013 -

下载: