Impact Resistance of Semi Re-Entrant Honeycombs under in-Plane Dynamic Crushing
-
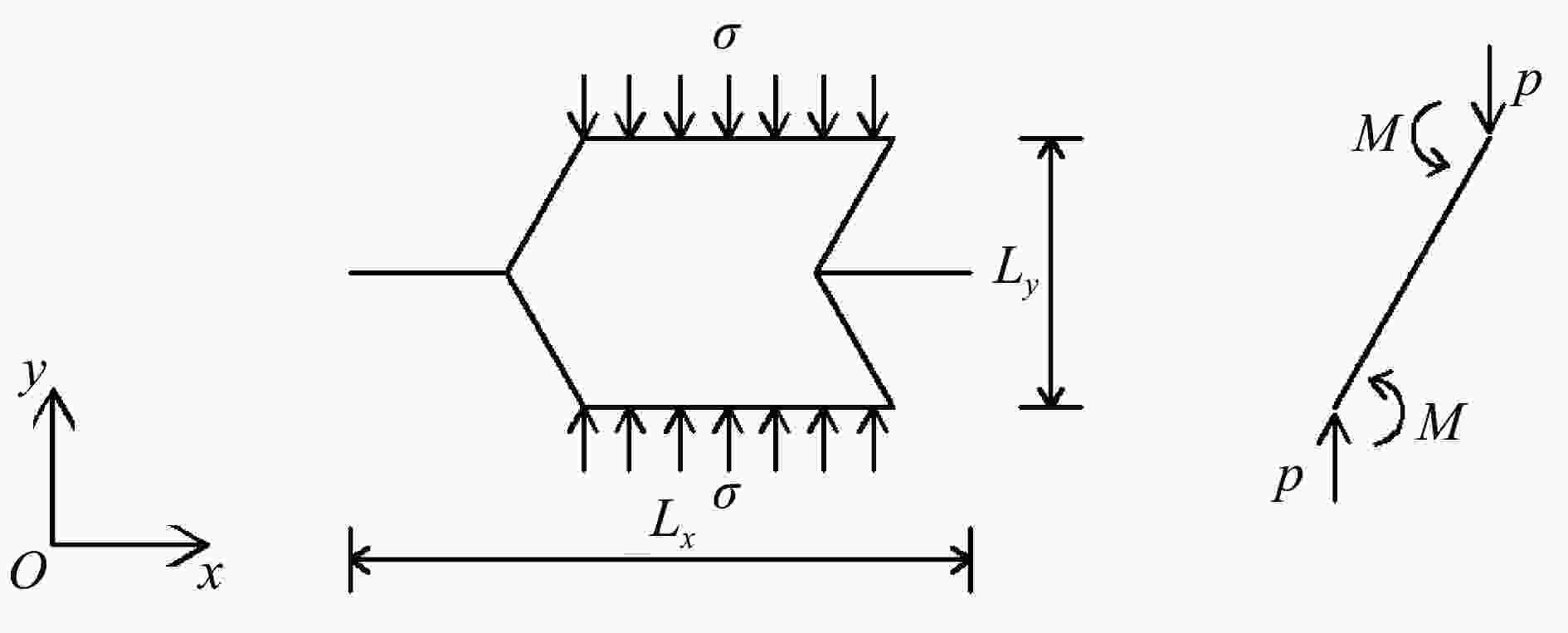
摘要: 半凹角蜂窝结构因其零泊松比特征,具有独特的变形方式。将其与传统正泊松比(正六边形)蜂窝以及负泊松比(凹角)蜂窝在面内冲击荷载作用下的抗冲击性能进行对比分析,揭示出零泊松比效应对动力学性能的影响。在给定胞元几何参数(长细比)的情况下,分析了3种蜂窝构型在不同冲击速度下的变形特征,得出半凹角蜂窝的零泊松比特性使结构的局部变形带以“I”型为主。根据一维冲击波理论,推导出半凹角蜂窝的平均抗压强度理论公式,与有限元结果进行对比,验证了该方法的有效性。数值结果表明,半凹角蜂窝的抗冲击性能介于正六边形蜂窝和凹角蜂窝之间。通过在半凹角蜂窝内部增加直杆,设计出一种新型零泊松比蜂窝,进一步提高了蜂窝结构的抗冲击性能,可为其他结构优化设计提供一定的理论参考。Abstract: The semi re-entrant honeycombs presented unique deformation modes due to its characteristic of zero Poisson’s ratio. The impact resistance of the semi re-entrant honeycombs under in-plane impact load was compared with that of the traditional positive Poisson’s ratio (regular hexagon) honeycombs and negative Poisson’s ratio (re-entrant) honeycombs, and the effects of zero Poisson’s ratio on its dynamic performance were revealed. Given cellular geometric parameters (cell wall’s aspect ratio), the deformation behaviors of three honeycomb configurations under different impact velocities were analyzed. It is concluded that dominant local deformation band of the semi re-entrant honeycomb is " I” type because of the zero Poisson ratio. According to the one-dimensional shock wave theory, a theoretical formula of the average dynamic crushing strength of semi re-entrant honeycombs was derived and compared with the finite element results to verify its effectiveness. Simultaneously, it was found that the impact resistance of semi re-entrant honeycombs was between regular hexagon honeycombs and re-entrant honeycombs. Therefore, a novel zero Poisson’s ratio honeycomb was designed by adding a rib into every cell of the semi re-entrant honeycomb, and its impact resistance was improved. These results provide certain theoretical references for other structural optimization designs.
-
表 1 正六边形蜂窝的平均抗压强度
Table 1. Average crushing strength of regular hexagon honeycombs
h/mm v/(m∙s−1) Average crushing strength/MPa Deviation/% Ref.[9] Numerical 0.3 70 2.491 2.287 8.19 0.3 100 4.677 4.893 4.62 0.4 70 3.777 3.952 4.63 0.4 100 6.802 7.384 8.56 表 2 半凹角蜂窝结构的平台应力
Table 2. Plateau stress of the semi re-entrant honeycombs
h/mm v/(m∙s−1) Average crushing strength/MPa Deviation/% Theoretical Numerical 0.2 70 1.643 1.555 5.36 100 2.788 2.850 2.22 140 5.738 5.967 3.99 200 11.421 11.551 1.14 0.3 70 2.910 3.180 9.28 100 5.287 5.340 0.99 140 9.761 9.012 7.67 200 19.268 20.181 4.74 0.4 70 4.553 4.810 5.64 100 8.134 8.222 1.08 140 14.875 13.608 8.52 200 29.200 28.769 1.48 0.5 70 6.682 7.170 7.30 100 11.828 12.991 9.83 140 21.514 21.545 0.14 200 42.097 40.774 3.14 -
[1] ZHANG Q C, YANG X H, LI P, et al. Bioinspired engineering of honeycomb structure—using nature to inspire human innovation [J]. Progress in Materials Science, 2015, 74: 332–400. doi: 10.1016/j.pmatsci.2015.05.001 [2] BITZER T. Honeycomb technology: materials, design, manufacturing, applications and testing [M]. New York: Springer Science & Business Media, 1997. [3] GRIMA J N, OLIVERI L, ATTARD D, et al. Hexagonal honeycombs with zero poisson’s ratios and enhanced stiffness [J]. Advanced Engineering Materials, 2010, 12(9): 855–862. doi: 10.1002/adem.201000140 [4] NEVILLE R M, MONTI A, HAZRA K, et al. Transverse stiffness and strength of Kirigami zero-v peek honeycombs [J]. Composite Structures, 2014, 114(1): 30–40. [5] 程文杰, 周丽, 张平, 等. 零泊松比十字形混合蜂窝设计分析及其在柔性蒙皮中的应用 [J]. 航空学报, 2015, 36(2): 680–690.CHENG W J, ZHOU L, ZHANG P, et al. Design and analysis of a zero poisson’s ratio mixed cruciform honeycomb and its application in flexible skin [J]. Acta Aeronautica et Astronautica Sinica, 2015, 36(2): 680–690. [6] HUANG J, GONG X B, ZHANG Q H, et al. In-plane mechanics of a novel zero poisson’s ratio honeycomb core [J]. Composites Part B: Engineering, 2016, 89: 67–76. doi: 10.1016/j.compositesb.2015.11.032 [7] PAPKA S D, KYRIAKIDES S. In-plane compressive response and crushing of honeycomb [J]. Journal of the Mechanics & Physics of Solids, 1994, 42(10): 1499–1532. [8] HU L L, YU T X. Dynamic crushing strength of hexagonal honeycombs [J]. International Journal of Impact Engineering, 2010, 37(5): 467–474. doi: 10.1016/j.ijimpeng.2009.12.001 [9] RUAN D, LU G, WANG B, et al. In-plane dynamic crushing of honeycombs—a finite element study [J]. International Journal of Impact Engineering, 2003, 28(2): 161–182. doi: 10.1016/S0734-743X(02)00056-8 [10] HU L L, YOU F F, YU T X. Effect of cell-wall angle on the in-plane crushing behaviour of hexagonal honeycombs [J]. Materials & Design, 2013, 46(4): 511–523. [11] HU L L, YU T X. Mechanical behavior of hexagonal honeycombs under low-velocity impact—theory and simulations [J]. International Journal of Solids and Structures, 2013, 50(20/21): 3152–3165. doi: 10.1016/j.ijsolstr.2013.05.017 [12] HONG S T, PAN J, TYAN T, et al. Dynamic crush behaviors of aluminum honeycomb specimens under compression dominant inclined loads [J]. International Journal of Plasticity, 2008, 24(1): 89–117. doi: 10.1016/j.ijplas.2007.02.003 [13] PRAWOTO Y. Seeing auxetic materials from the mechanics point of view: a structural review on the negative poisson’s ratio [J]. Computational Materials Science, 2012, 58: 140–153. doi: 10.1016/j.commatsci.2012.02.012 [14] 卢子兴, 王欢, 杨振宇, 等. 星型-箭头蜂窝结构的面内动态压溃行为 [J]. 复合材料学报, 2019, 36(8): 1893–1900.LU Z X, WANG H, YANG Z Y, et al. In-plane dynamic crushing of star-arrowhead honeycomb structure [J]. Acta Materiae Compositae Sinica, 2019, 36(8): 1893–1900. [15] 张新春, 刘颖, 李娜. 具有负泊松比效应蜂窝材料的面内冲击动力学性能 [J]. 爆炸与冲击, 2012, 32(5): 475–482. doi: 10.3969/j.issn.1001-1455.2012.05.005ZHANG X C, LIU Y, LI N. In-plane dynamic crushing of honeycombs with negative poisson’s ratio effects [J]. Explosion and Shock Waves, 2012, 32(5): 475–482. doi: 10.3969/j.issn.1001-1455.2012.05.005 [16] LIU W Y, WANG N L, GUO T, et al. In-plane dynamic crushing of re-entrant auxetic cellular structure [J]. Materials & Design, 2016, 100: 84–91. [17] HOU X H, DENG Z C, ZHANG K. Dynamic crushing strength analysis of auxetic honeycombs [J]. Acta Mechanica Solida Sinica, 2016, 29(5): 490–501. doi: 10.1016/S0894-9166(16)30267-1 [18] CHEN Y, FU M H. Mechanical properties of a novel zero poisson’s ratio honeycomb [J]. Advanced Engineering Materials, 2018, 20(2): 1700452. [19] REID S R, PENG C. Dynamic uniaxial crushing of wood [J]. International Journal of Impact Engineering, 1997, 19(5/6): 531–570. doi: 10.1016/S0734-743X(97)00016-X [20] GIBSON L J, ASHBY M F. Cellular solids: structure and properties [M]. Cambridge: Cambridge University Press, 1997. -

下载: