Fatigue Life Evaluation of Coiled Tube under Coupled Load of Internal Pressure, Bending and Torsion
-
摘要: 针对连续管在作业中易出现疲劳失效等问题,进行了连续管在内压、弯扭耦合加载下疲劳寿命评估。首先分析了耦合加载下连续管低周疲劳失效机理,基于Brown-Miller疲劳寿命模型建立了连续管疲劳寿命数值计算模型,开展了内压和弯曲加载下连续管疲劳实验,实验结果证实该数值模型是可行的。计算了内压和弯曲耦合加载下连续管低周疲劳寿命,以及内压和弯扭耦合加载下连续管低周疲劳寿命。计算结果表明,连续管最大塑性应变和疲劳敏感区出现在轴向拉伸面和压缩面,与现场连续管失效情况是一致的。通过计算得到了连续管安全服役的临界扭矩值和内压值。Abstract: It is necessary to evaluate the fatigue life of coiled tube (CT) under the coupled load of internal pressure, bending load and torsion. First, the failure mechanism of low cycle fatigue of CT under coupling loading is analyzed. Based on Brown-Miller fatigue life model, a numerical calculation model of CT fatigue life is established. The low cycle fatigue life of CT under the coupling load of internal pressure and bending load is calculated. And also the low cycle fatigue life of CT under the load of internal pressure, bending load and torsion is calculated. The calculation results show that the maximum plastic strain and fatigue sensitive areas of CT appear on the axial tensile surface and compression surface, which is consistent with the failure of CT on oil field. The critical torque value and internal pressure of CT are obtained by calculation for CT safety service.
-
Key words:
- coiled tube /
- torsion /
- plastic deformation /
- fatigue life /
- coupling load
-
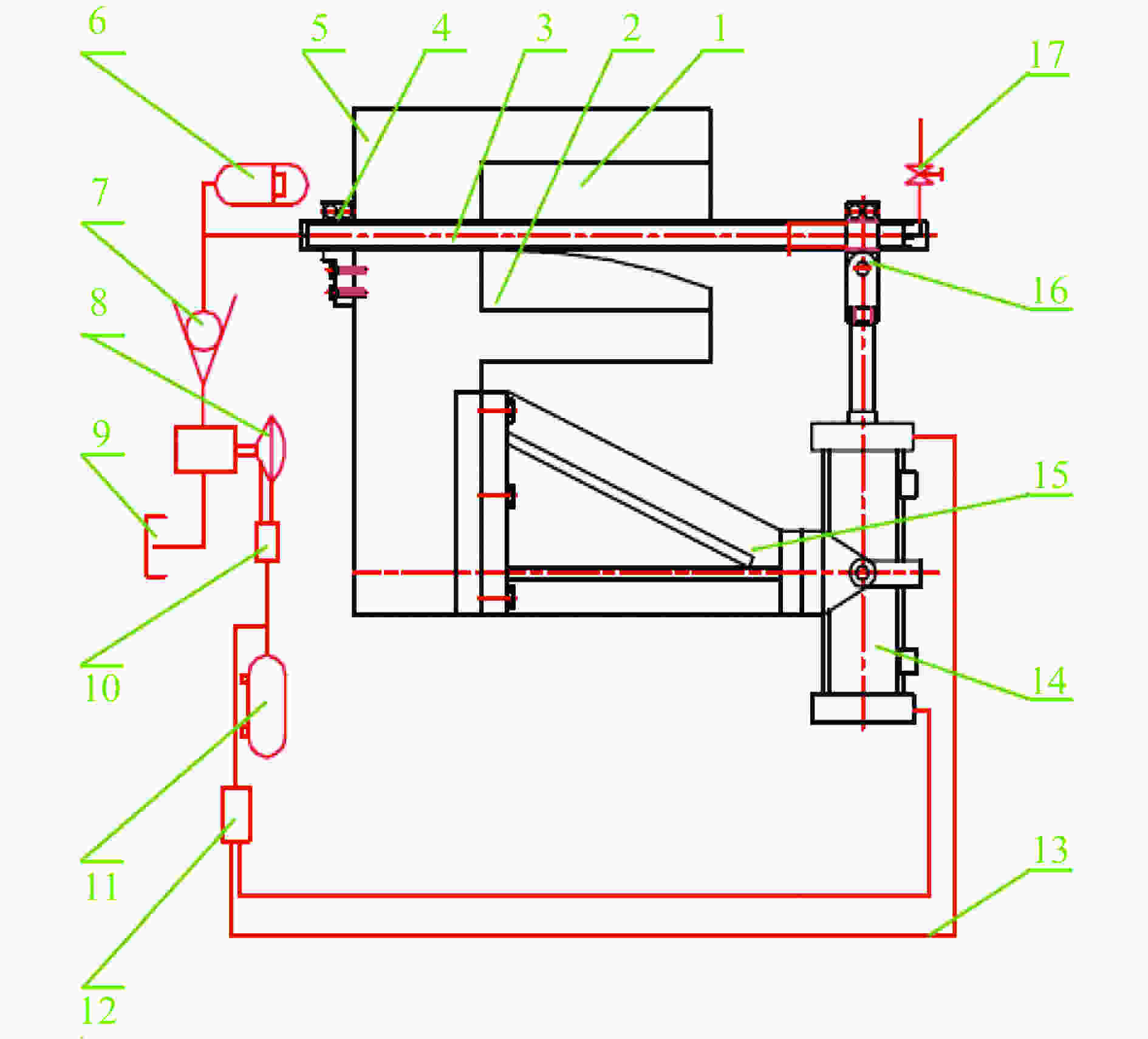
图 7 连续管疲劳测试装置示意图
Figure 7. Schematic diagram of coiled tube fatigue test device
1. Straight mode; 2. Flexing mode; 3. Sample; 4. Fixtures; 5. Base; 6. Accumulator; 7. Check valve; 8. Supercharger; 9. Liquid pool; 10. Air valve; 11. Micro air compressor; 12. Valve; 13. Connecting pipe; 14. Cylinder;15. Support; 16. Active connector; 17. Pressure relief valve
Material type Outer diameter/mm Wall thickness/mm Elastic modulus/MPa Poisson’s ratio CT-800 60.325 4.775 210 000 0.3 Yield stress/MPa Cyclic strain hardening
coefficient/MPaCyclic strain
hardening indexSection shrinkage/% 552 785 0.1 58.18 表 2 有限元模拟值与实验值对比
Table 2. Comparison of finite element simulation results and experimental results
Internal pressure/MPa Experimental value/N Finite element value/N Error/% 65 50 45 10 65 49 45 8 65 52 45 13 表 3 内压、扭矩对连续管疲劳寿命的影响
Table 3. Influence of internal pressure and torque on fatigue life of coiled tube
Torque/(N·m) Fatigue life Torque/(N·m) Fatigue life 0 MPa 30 MPa 60 MPa 0 MPa 30 MPa 60 MPa 1000 >107 >107 >107 7300 8650 352 4000 >107 >107 >107 7400 2090 280 5500 >107 >107 >107 7420 745 234 5800 >107 ≥107 ≥107 7450 349 196 6000 >107 1331 111 7480 238 145 6200 >107 856 38 7500 179 122 6400 ≥107 623 1 7700 18 6800 36 890 408 -
[1] GHOBADI M, MUZYCHKA Y S. Pressure drop in mini-scale coiled tubing [J]. Experimental Thermal and Fluid Science, 2014, 57: 57–64. doi: 10.1016/j.expthermflusci.2014.04.011 [2] 袁发勇, 马卫国. 连续管水平井工程技术 [M]. 北京: 科学出版社, 2018: 1–19.YUAN F Y, MA W G. Coiled tubing engineering technology in horizontal wells [M]. Beijing: Science Press, 2018: 1–19. [3] ISHAK J. Numerical evaluation of cyclic strains in physically small defects in coiled tubing [D]. Tulsa, OK: The University of Tulsa, 2016: 1–9. [4] OYEDOKUN O, SCHUBERT J. Extending the reach of coiled tubing in directional wells with downhole motors [C]//SPE/ICoTA Coiled Tubing and Well Intervention Conference & Exhibition. Woodlands, TX, 2014. [5] TIPTON S M, CARLSON G H, SOREM J R. Fatigue integrity analysis of rotating coiled tubing [C]//SPE/ICoTA Coiled Tubing and Well Intervention Conference and Exhibition. Woodlands, TX, 2006. [6] 毕宗岳, 张晓峰, 张万鹏. 连续管疲劳寿命试验研究 [J]. 焊管, 2012, 35(6): 5–8. doi: 10.3969/j.issn.1001-3938.2012.06.001BI Z Y, ZHANG X F, ZHANG W P. Research on fatigue life test of coiled tubing [J]. Welded Pipe, 2012, 35(6): 5–8. doi: 10.3969/j.issn.1001-3938.2012.06.001 [7] NEWMAN K R, NEWBURN D A. Coiled-tubing-life modeling: SPE22820 [R]. Richardson, TX: Society of Petroleum Engineers , 1991. [8] NEWMAN K R. Determining the working life of a coiled tubing string [J]. Offshore Incorporating Oilman, 1991, 51(12): 31–36. [9] AVAKOV V A, MARTIN J. Large coiled tubing fatigue life [C]//SPE/ICoTA North American Coiled Tubing Roundtable. Richardson, TX: Society of Petroleum Engineers, 1997. [10] 王优强, 张嗣伟, 方爱国. 连续管的失效形式与原因概述 [J]. 石油矿场械, 1999, 28(4): 15–l8.WANG Y Q, ZHANG S W, FANG A G. Overview of failure modes and causes of coiled tubing [J]. Oil Field Equipment, 1999, 28(4): 15–l8. [11] 何春生. 连续油管低周疲劳寿命预测及屈曲分析方法研究[D]. 大庆: 东北石油大学, 2014: 17–47.HE C S. The prediction of low cycle fatigue life and study of buckling analysis method for coiled tubing [D]. Daqing: Northeast Petroleum University, 2014: 17–47. [12] 李子丰, 李雪娇, 王鹏. 预弯曲连续油管及其疲劳寿命预测 [J]. 石油学报, 2012, 33(4): 706–710.LI Z F, LI X J, WANG P. Pre-bending coiled tubing and its fatigue life prediction [J]. Acta Petrolei Sinica, 2012, 33(4): 706–710. [13] LIU S H, XIAO H, GUAN F, et al. Coiled tubing failure analysis and ultimate bearing capacity under multi-group load [J]. Engineering Failure Analysis, 2017, 79(9): 803–811. [14] 尚德广, 王德俊. 多轴疲劳强度 [M]. 北京:科学出版社, 2007: 118–128.SHANG D G, WANG D J. Multiaxial fatigue strength [M]. Beijing: Science Press, 2007: 118–128. [15] 林腾蛟, 沈亮, 赵俊渝. 风电增速箱输出级齿轮副疲劳寿命有限元分析 [J]. 重庆大学学报, 2012, 35(1): 1–6.LIN T J, SHEN L, ZHAO J Y. Fatigue life finite element analysis of output gear pair of wind turbine speed-increase gearbox [J]. Journal of Chongqing University, 2012, 35(1): 1–6. [16] JIANG Y, SEHIITOGLU H. Modeling of cyclic ratcheting plasticity [J]. Journal of Applied Mechanics, 1996, 63(3): 726–733. doi: 10.1115/1.2823356 [17] AMITKUMAR C. Local strain approach for fatigue life prediction of coiled tubing with surface defects [D]. Tulsa, OK: The University of Tulsa, 2010. [18] PEROZO N, PAZ C A, TEODORIU C, et al. A novel testing facility for coiled tubing fatigue valuation under deep drilling conditions [C]//SPE Western Regional Meeting. Anchorage, AK, 2016. [19] 周永霞. 先进技术提高了连续油管钻井能力 [J]. 国外石油机械, 1996, 7(3): 14–16.ZHOU Y X. Advanced technology improves the ability of coiled tubing drilling [J]. Foreign Petroleum Machinery, 1996, 7(3): 14–16. [20] 赵章明. 连续油管工程技术手册 [M]. 北京:石油工业出版社, 2011: 39–49.ZHAO Z M. Coiled tubing engineering technical manual [M]. Beijing: Petroleum Industry Press, 2011: 39–49. -

下载: